© 2008-2012 SeekIC.com Corp.All Rights Reserved.
Published:2011/4/19 1:44:00 Author:Ecco | Keyword: Multi-output , crystal, oscillator | From:SeekIC

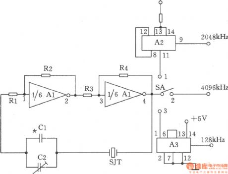
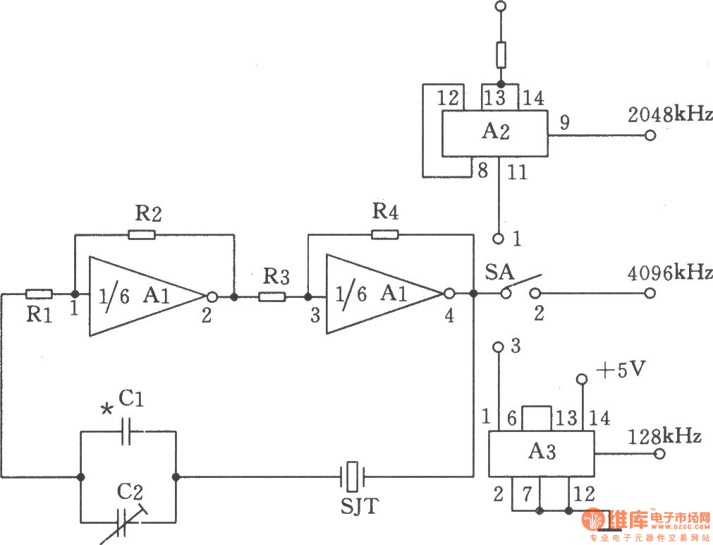
The chart shows the multi-output crystal oscillator. It is mainly composed of three gates of A1, four resistors, two capacitors and a crystal. Rl ~ R4 bias two inverters in the linear range, and they are connected between the pin 4 and pin1 of A1 by the crystal SJT, and they are used to provide feedback loop. It only produces frequency on the fundamental frequency of crystal. The selection of components: capacitor Cl is 15p (vernier capacitor). Resistors Rl, R3 are 220Ω, R2 is 560Ω, R4 is 1.8kΩ, R5 is 1kΩ, the nominal power is l/8W. IC Al is 7404, A2 is the 74LS74, A3 is the 74LS393. Crystal SJT is SW60A-4096kHz. Switch SA is KNX (1 × 3).
Reprinted Url Of This Article:
http://www.seekic.com/circuit_diagram/Signal_Processing/Oscillator_Circuit/Multi_output_crystal_oscillator.html
Print this Page | Comments | Reading(3)
Response in 12 hours
© 2008-2012 SeekIC.com Corp.All Rights Reserved.
Code: