Published:2009/7/6 0:40:00 Author:May | From:SeekIC

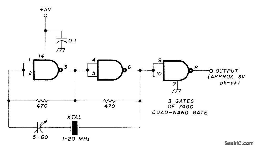
Overcomes problems of poor starting performance and has upper frequency limit of 20 MHz. Suitable for applications requiring high-output aperiodic oscillator. Excellent as frequency marker.-R. Harrison, Survey of Crystal Oscillators, Ham Radio, March 1976, p 10-22.
Reprinted Url Of This Article:
http://www.seekic.com/circuit_diagram/Signal_Processing/Oscillator_Circuit/NAND_GATE_TIL_CRYSTAL.html
Print this Page | Comments | Reading(3)
Code: