Published:2009/7/21 2:27:00 Author:Jessie | From:SeekIC




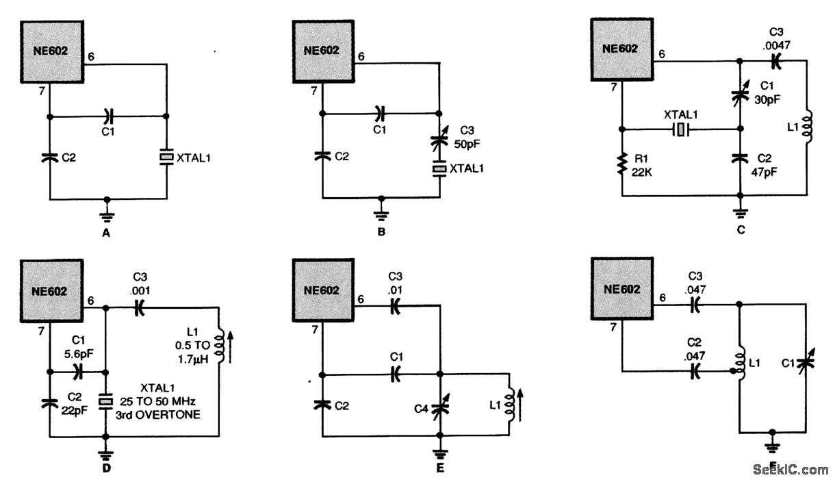
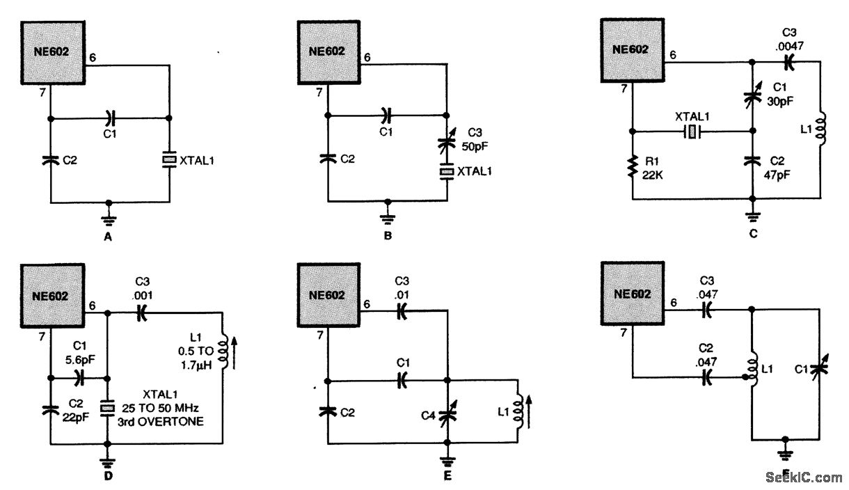
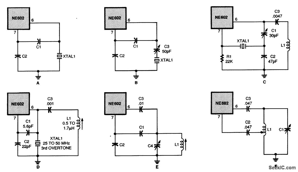
The local oscillator for the NE602 can take the form of either a crystal-controlled (a through d) or a resonant-tank circuit(e and ƒ).
Reprinted Url Of This Article:
http://www.seekic.com/circuit_diagram/Signal_Processing/Oscillator_Circuit/NE602_LOCAL_OSCILLATOR_CIRCUITS.html
Print this Page | Comments | Reading(3)
Code: