Published:2009/6/26 2:17:00 Author:May | From:SeekIC

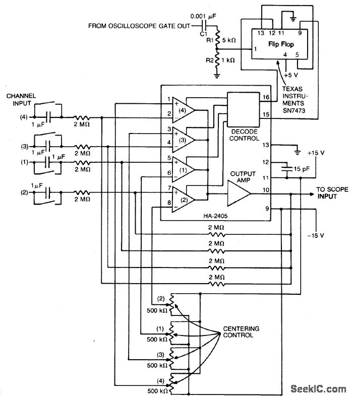
The monolithic quad operational amplifier provides an inexpensive way to increase display capability of a standard oscilloscope. Binary inputs drive the IC op amp; a dual flip-flop divides the scope's gate output to obtain channel selection signals. All channels have cen-tering controls for nulling offset voltage. AL negative-going scope gate signal selects the next channel after each trace. The circuit operates out to 5 MHz.
Reprinted Url Of This Article:
http://www.seekic.com/circuit_diagram/Signal_Processing/Oscillator_Circuit/OSCILLOSCOPE_CONVERTER_PROVIDES_FOUR_CHANNEL_DISPLAYS.html
Print this Page | Comments | Reading(3)
Code: