Published:2009/6/25 3:10:00 Author:May | From:SeekIC

Circuit Notes
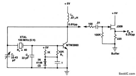
The output resistance of the transistor's collector, together with the effective value of C1, provides an RC phase lag of 30-500. The crystal normally oscillates slightly above series resonance, where it is both resistive and inductive. Above series resonance, the crys-tal's internal impedance (resistive and induc-tive) together with C2 provides an RLC phase lag of 130-1500. The transistor inverts the sig-nal, providing a total of 3600 of phase shift around the loop. Inductor L1 is selected to resonate with C1 at a frequency between the crystal's desired harmonic and its next lower odd harmonic. Inductor L1 offsets part of the negative reactance of C1 at the oscillation fre-quency.
Reprinted Url Of This Article:
http://www.seekic.com/circuit_diagram/Signal_Processing/Oscillator_Circuit/PIERCE_HARMONIC_OSCILLATOR(100_MHz).html
Print this Page | Comments | Reading(3)
Code: