Published:2009/7/19 21:27:00 Author:Jessie | From:SeekIC

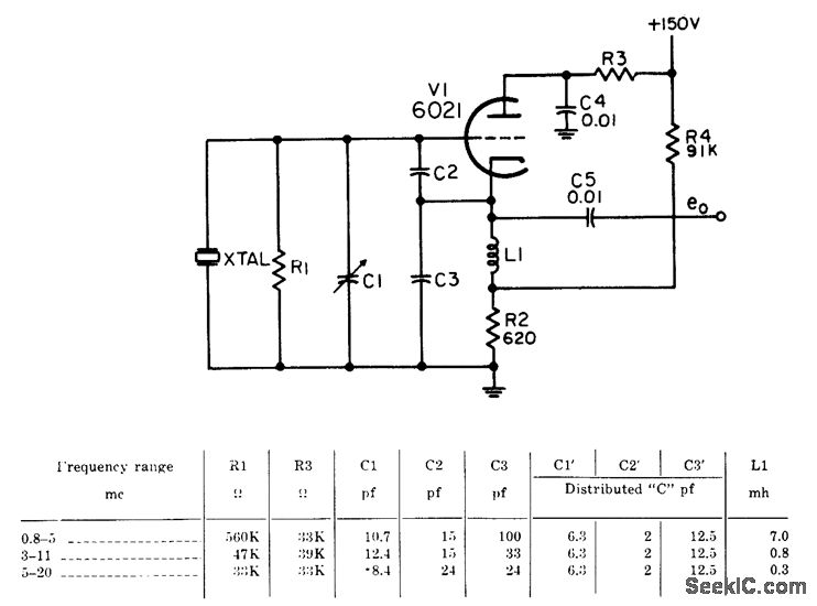
Frequency is changed by substituting plug in crystals. Component values depend on frequency range. Serves as simple and stable frequency source.-NBS, Handbook Preferred Circuits Navy Aeronautical Electronic Equipment, Vol. I, Electron Tube Circuits, 1963, PC 101, p 101-2.
Reprinted Url Of This Article:
http://www.seekic.com/circuit_diagram/Signal_Processing/Oscillator_Circuit/PREFERRED_08_20_MC_COLPITTS_CRYSTAL.html
Print this Page | Comments | Reading(3)
Code: