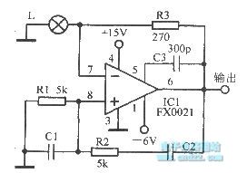
Published:2011/11/27 21:15:00 Author:Ecco | Keyword: Power oscillator | From:SeekIC

Reprinted Url Of This Article:
http://www.seekic.com/circuit_diagram/Signal_Processing/Oscillator_Circuit/Power_oscillator_using_component_FX0021.html
Print this Page | Comments | Reading(3)
Code: