Published:2009/7/19 23:21:00 Author:Jessie | From:SeekIC

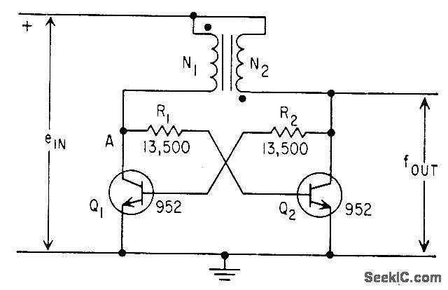
Timebase integration of a variable is performed by counting cycles of saturable-reactor oscillator whose frequency is proportional to the variable. linearity is within 1% of full scale.-L. W. Langley, Saturable-Core Oscillator Integrates Gas-Flow Data, Electronics, 32:4, p 42-43.
Reprinted Url Of This Article:
http://www.seekic.com/circuit_diagram/Signal_Processing/Oscillator_Circuit/SATURABLE_REACTOR_OSCILLATOR.html
Print this Page | Comments | Reading(3)
Code: