Published:2009/6/25 4:40:00 Author:May | From:SeekIC

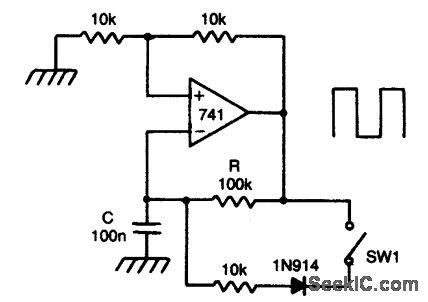
This circuit has a Schmitt trigger and in-tegrator built around one op amp. Timing is controlled by the RC network. Voltage at the inverting input follows the RC charging expo-nential within the upper and lower hysteresis levels. By closing the switch SWt, the dis-charge time of the capacitor becomes ten times as fast as the rise time. Thus a square wave with an 10:1 mark space ratio is generated.
Reprinted Url Of This Article:
http://www.seekic.com/circuit_diagram/Signal_Processing/Oscillator_Circuit/SINGLE_OP_AMP_OSCILLATOR.html
Print this Page | Comments | Reading(3)
Code: