Published:2009/7/10 1:33:00 Author:May | From:SeekIC

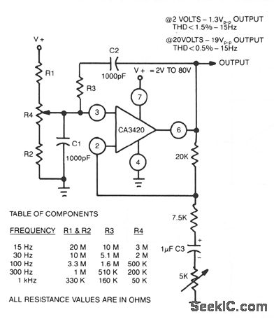
The adjustment of R4 contributes to the comparatively symmetrical output transfer characteristic of the CA3420 BiMOS op amp. To extend the lower operating frequency, remove C3 and use a dual supply.
Reprinted Url Of This Article:
http://www.seekic.com/circuit_diagram/Signal_Processing/Oscillator_Circuit/SINGLE_SUPPLY_WIEN_BRIDGE_OSCILLATOR.html
Print this Page | Comments | Reading(3)
Code: