Published:2009/7/19 21:02:00 Author:Jessie | From:SeekIC

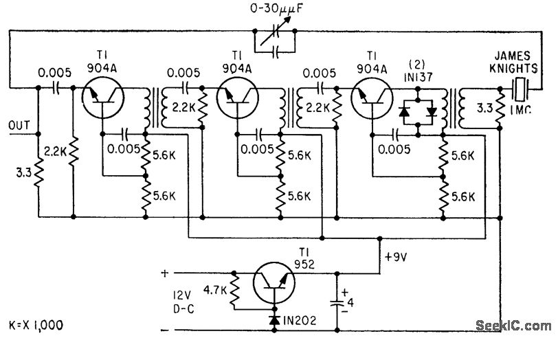
Gives frequency stability of one part in 1 billion per day at normal room temperature, at which a 12-Ib, 45-V battery can furnish crystal oven and circuit power for 72 hours.-J. F. Mercurio, Jr., Stable, Low-Cost One-Mc Oscillator, Electronics, 32:6, p 50-51.
Reprinted Url Of This Article:
http://www.seekic.com/circuit_diagram/Signal_Processing/Oscillator_Circuit/STABLE_1_MC_OSCILLATOR.html
Print this Page | Comments | Reading(3)
Code: