Published:2009/7/6 0:54:00 Author:May | From:SeekIC

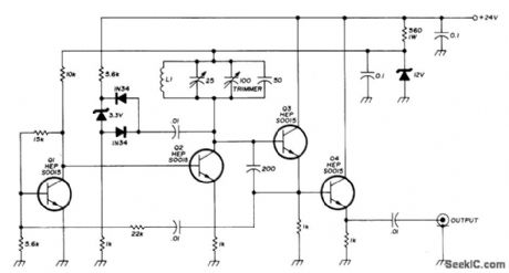
Oscillator Q1-Q2, emitter-follower output Q3, and buffer Q4 provide 5 V P-P into 200-ohm load, with good isolation between oscillator and load Total drift is less than 10 Hz from turn-on, and less than 330 Hz as supply voltage varies between 15 and 30 V. Amplitude stability is within 1 dB over tuning range. Oscillator amplitude is stabilized by two 1N34 diodes and 3.3-V zener. L1 is 25 turns No. 18 closewound on 1.5-in form. –J. Fisk, Circuit sand Techniques, Ham Radio, June 1976, p 48-52.
Reprinted Url Of This Article:
http://www.seekic.com/circuit_diagram/Signal_Processing/Oscillator_Circuit/STABLE_35_38_MHz_VFO.html
Print this Page | Comments | Reading(3)
Code: