Published:2012/12/17 3:42:00 Author:Ecco | Keyword: Scanning oscillator | From:SeekIC

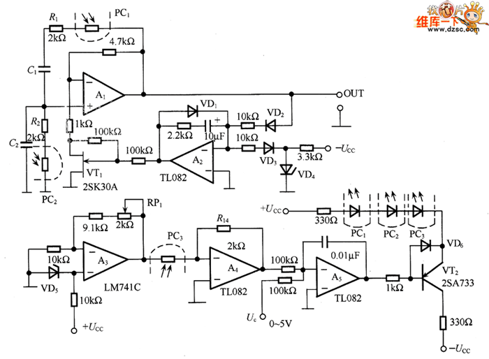
This circuit is composed of RC Wien bridge oscillator and voltage controlled resistor, wherein the Wien bridge circuit is available for RC circuit with a selected frequency, and A1 magnification is about three times, loop gain is 1. The output of A2 is half wave rectified by VD2, then it is comparing with the reference current generated by VD4 to make integrating, thereby controlling the VT1's gate voltage and changing the resistance between the drain - source.
Reprinted Url Of This Article:
http://www.seekic.com/circuit_diagram/Signal_Processing/Oscillator_Circuit/Scanning_oscillator_circuit_diagram.html
Print this Page | Comments | Reading(3)
Code: