Published:2012/11/9 20:33:00 Author:Ecco | Keyword: two-phase oscillator | From:SeekIC

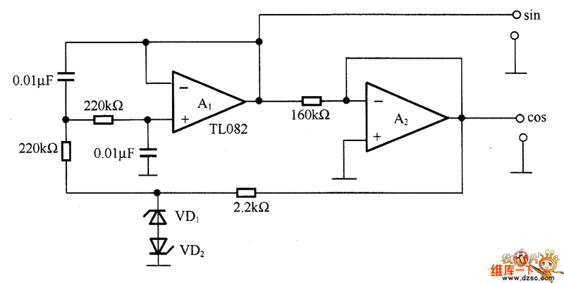
In order to get sine and cosine waves, the circuit is oscillation stabilization circuit without automatic gain control loop, and it can get a stable oscillation output when it is in low frequency. This two-phase oscillator is commonly used as the AC motor signal generator, and it can also be used for the rectangular coordinate transform source or graphic display on the X-Y monitor. In the circuit, A1 constitutex a low pass filter circuit, A2 is an integrator.
Reprinted Url Of This Article:
http://www.seekic.com/circuit_diagram/Signal_Processing/Oscillator_Circuit/Simple_two_phase_oscillator_circuit_diagram.html
Print this Page | Comments | Reading(3)
Code: