Published:2013/3/19 2:07:00 Author:Ecco | Keyword: Sine wave, square wave , converter | From:SeekIC

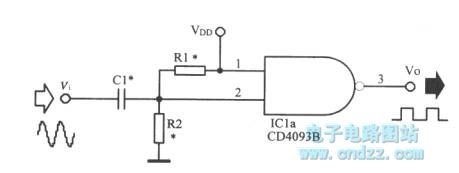
Sine wave-square wave converter circuit is shown as figure.
Reprinted Url Of This Article:
http://www.seekic.com/circuit_diagram/Signal_Processing/Oscillator_Circuit/Sine_wave_square_wave_converter_circuit.html
Print this Page | Comments | Reading(3)
Code: