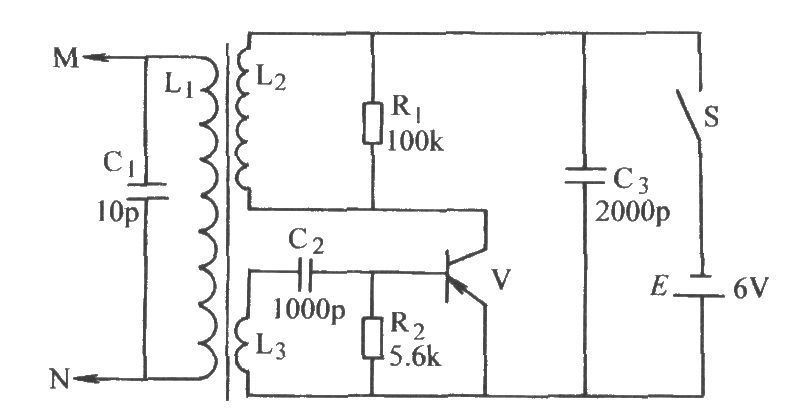
Published:2011/11/11 2:35:00 Author:Ecco | Keyword: Single-tube, transformer , oscillator | From:SeekIC

Reprinted Url Of This Article:
http://www.seekic.com/circuit_diagram/Signal_Processing/Oscillator_Circuit/Single_tube_transformer_oscillator_circuit.html
Print this Page | Comments | Reading(3)
Code: