© 2008-2012 SeekIC.com Corp.All Rights Reserved.
Published:2009/7/2 9:18:00 Author:May | From:SeekIC

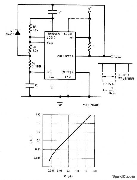
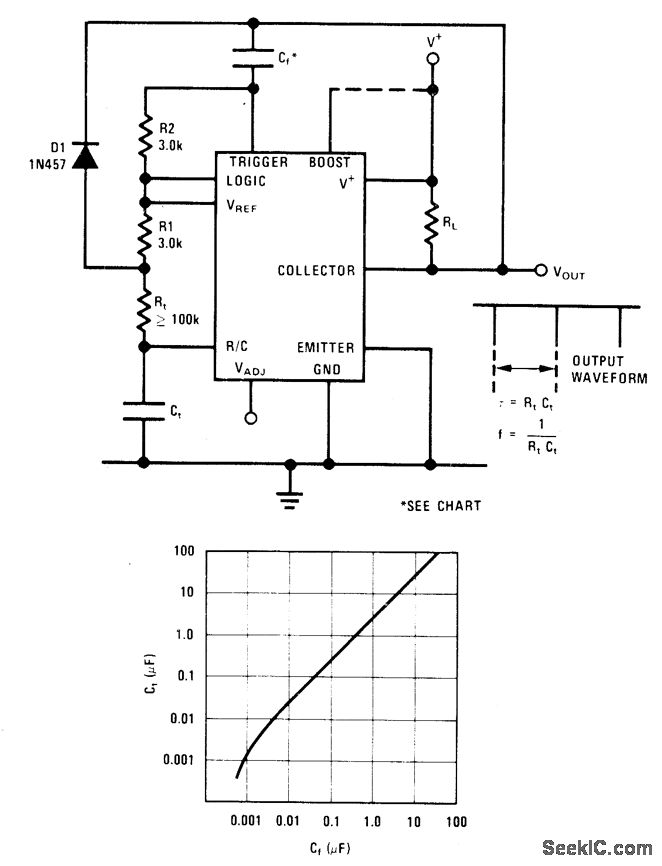
Output of National LM122 timerisfed back to trigger input through capacitor to give self-starting oscillator. Frequency is 1/RtCt. Output is narrow negative pulse havipg duration of about 2R2Cf. Conservative value for Cf for optimum frequency stability can be chosen from graph based on size of timing capacitor Ct.-C. Nelson, Versatile Timer Operates from Microseconds to Hours, National Semiconductor, Santa Clara, CA, 1973, AN-97, p 10.
Reprinted Url Of This Article:
http://www.seekic.com/circuit_diagram/Signal_Processing/Oscillator_Circuit/TIMER_AS_OSCILLATOR.html
Print this Page | Comments | Reading(3)
Response in 12 hours
© 2008-2012 SeekIC.com Corp.All Rights Reserved.
Code: