Published:2009/6/26 2:24:00 Author:May | From:SeekIC

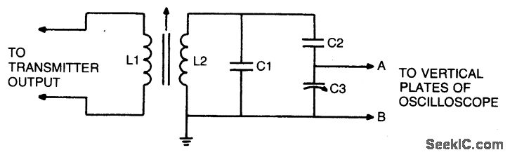
To display an rf signal, connect L1 to the transmitter and points A and B to the vertical plates of the oscilloscope. Adjust L1 for minimum SWR and C3 for the desired trace height on the CRT. L2 = 4 turns #18 on 3/4 slug tuned rf coil form, L1 = 3 turns #22 adjacent to grounded end of L1, C1, and C2 = 5 pF, C3 = 75 pF trimmer.
Reprinted Url Of This Article:
http://www.seekic.com/circuit_diagram/Signal_Processing/Oscillator_Circuit/TRANSMITTER_OSCILLOSCOPE_COUPLER_FOR_CB_SIGNALS.html
Print this Page | Comments | Reading(3)
Code: