Published:2009/7/14 4:20:00 Author:May | From:SeekIC

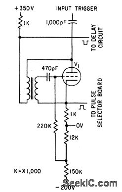
Gives pair of output pulses, with opposite polarity, for controlling timing and spacing of flashes.-P. Scott, Microflash and Pulse Stimulator Tests Human Optical Response, Electronics, 34:27, p 48-51.
Reprinted Url Of This Article:
http://www.seekic.com/circuit_diagram/Signal_Processing/Oscillator_Circuit/TRIGGERED_BLOCKING_OSCILATOR.html
Print this Page | Comments | Reading(3)
Code: