Published:2009/7/1 21:02:00 Author:May | From:SeekIC

Reprinted Url Of This Article:
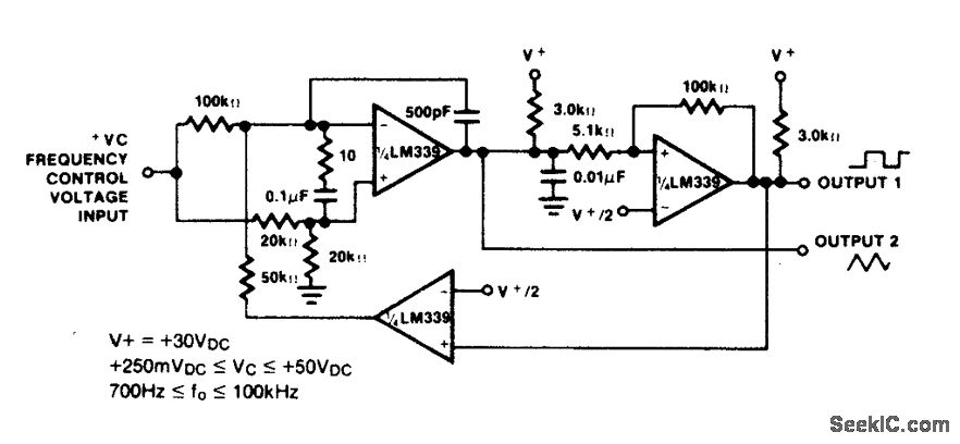
http://www.seekic.com/circuit_diagram/Signal_Processing/Oscillator_Circuit/TWO_DECADE_HIGH_FREQUENCY_VCO.html
Print this Page | Comments | Reading(3)
Code: