Published:2009/7/7 7:18:00 Author:May | From:SeekIC

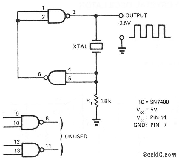
A SN7400 quartz crystal and a resistor provide a square-wave output of approximately 3.5 V. The circuit operates reliably at frequencies from 120 kHz to 4 MHz.
Reprinted Url Of This Article:
http://www.seekic.com/circuit_diagram/Signal_Processing/Oscillator_Circuit/TWO_GATE_QUARTZ_OSCILLATOR.html
Print this Page | Comments | Reading(3)
Code: