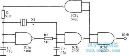
Published:2011/11/24 21:09:00 Author:Ecco | Keyword: crystal oscillator, reliable start | From:SeekIC

Reprinted Url Of This Article:
http://www.seekic.com/circuit_diagram/Signal_Processing/Oscillator_Circuit/The_crystal_oscillator_with_reliable_start.html
Print this Page | Comments | Reading(3)
Code: