Published:2011/4/18 0:40:00 Author:Ecco | Keyword: multivibrator , variable pitch | From:SeekIC

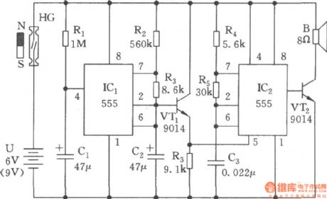
The multivibrator circuit with variable pitch is composed of two 555 time base circuits, it can issue wave of oscillation changed in 400~2500Hz, and its sound is similar to the sound of the public security police. The circuit consists of power-delay, low-frequency oscillator and the modulation generator.
Reprinted Url Of This Article:
http://www.seekic.com/circuit_diagram/Signal_Processing/Oscillator_Circuit/The_multivibrator_circuit_with_variable_pitch.html
Print this Page | Comments | Reading(3)
Code: