Published:2012/8/30 1:47:00 Author:Ecco | Keyword: Two -phase oscillator | From:SeekIC

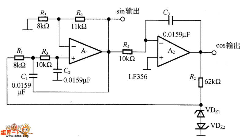
In the circuit, it is composed of op-amps A1 and A2, etc., and the op-amp A1 is a low-pass filter, A2 is an integrator, and each phase lag 90 °, the total phase lag is 180 °. The oscillation frequency is determined by R1 + R2, R3, R4 , C1, and C2, and C3. According to the parameters of FIG, the oscillation frequency is 1 kHz. The regulator tubes VDz1 VDz2 are mainly used to stabilize the amplitude, but in order to reduce the distortion of the waveform, it must choose two regulators with the same characteristics. The distortion of the cosine (cos) output waveform in the circuit is controlled at 0.3% or less, and the distortion of sine (sin) output waveform is about 1%.
Reprinted Url Of This Article:
http://www.seekic.com/circuit_diagram/Signal_Processing/Oscillator_Circuit/Two__phase_oscillator_circuit_diagram.html
Print this Page | Comments | Reading(3)
Code: