Published:2009/7/19 21:35:00 Author:Jessie | From:SeekIC

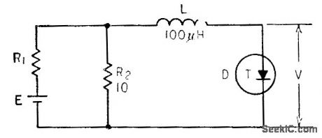
Simple but generally impractical because frequency varies greatly with supply voltage and waveform is poor, Frequency also varies with bias, from maximum of 2 Mc at 250 mv to 0.5 Mc at 80 mv and to 0.8 Mc of 400 mv. -Wen-Hsiung Ko, Designing Tunnel Diode Oscillators, Electronics, 34:6, p 68-72.
Reprinted Url Of This Article:
http://www.seekic.com/circuit_diagram/Signal_Processing/Oscillator_Circuit/UNSTABILIZED_TUNNEL_DIODE.html
Print this Page | Comments | Reading(3)
Code: