Published:2009/7/15 3:35:00 Author:Jessie | From:SeekIC

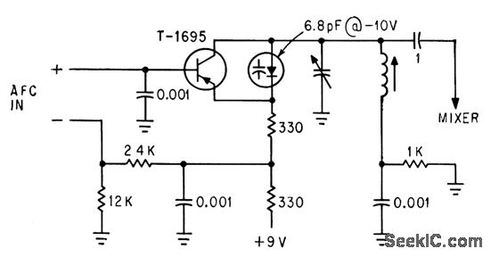
Oscillator transistor also acts as a d-c amplifier between afc input and varactor diode to give electronic tuning over range of 11 Mc with sensitivity of 5.8 Mc per v.-T. P. Prouty, Using Varactors to Extend Frequency-Control Range, Electronics, 36:45, p 48-49.
Reprinted Url Of This Article:
http://www.seekic.com/circuit_diagram/Signal_Processing/Oscillator_Circuit/VARACTOR_CONTROLLED_40_MC_OSCILLATOR_.html
Print this Page | Comments | Reading(3)
Code: