Published:2009/7/9 1:30:00 Author:May | From:SeekIC


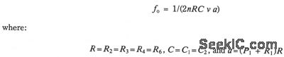
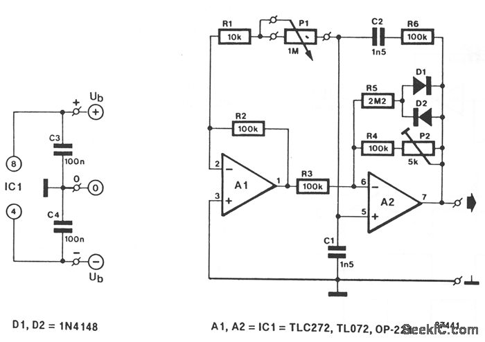
A Wien-bridge oscillator can be made variable by using two frequency-determining parts that are var-ied simultaneously at high tracking accuracy. High-quality tracking potentiometers or variable capacitors are, however, expensive and difficult to obtain. To avoid having to use such a component, this oscillator was designed to operate with a single potentiometer. The output frequency, f0,is calculated from:
With preset P2 you can adjust the overall amplification so that the output signal has a easonably stable amplitude, 3.5 VPP max., over the entire frequency range. The stated components allow the frequency to be adjusted between 350 Hz and 3.5 kHz.
Reprinted Url Of This Article:
http://www.seekic.com/circuit_diagram/Signal_Processing/Oscillator_Circuit/VARIABLE_VNEN_BRIDGE_OSCILLATOR.html
Print this Page | Comments | Reading(3)
Code: