Published:2011/4/21 9:37:00 Author:Robert | Keyword: Sine Wave, Generation | From:SeekIC

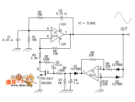
Very Cool Sine Wave Generation Circuit is shown as below:
Reprinted Url Of This Article:
http://www.seekic.com/circuit_diagram/Signal_Processing/Oscillator_Circuit/Very_Cool_Sine_Wave_Generation_Circuit.html
Print this Page | Comments | Reading(3)
Code: