Published:2009/6/15 21:21:00 Author:May | From:SeekIC

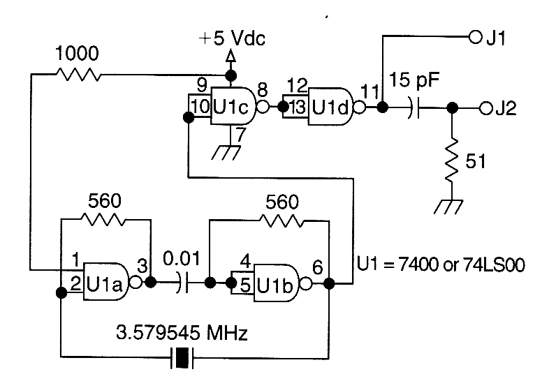
A circuit using one 7400 TTL IC can use crystals of the fundamental type, from 1 to about 13 MHz. Output is rich in harmonics, making this os-cillator useful for calibrations and test applica-tions.
Reprinted Url Of This Article:
http://www.seekic.com/circuit_diagram/Signal_Processing/Oscillator_Circuit/WIDE_RANGE_CRΥSTAL_OSCILLATOR.html
Print this Page | Comments | Reading(3)
Code: