Published:2009/7/9 1:31:00 Author:May | From:SeekIC

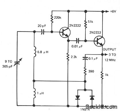
The gain control allows the oscillator to maintain essentially constant output over its range. The circuit functions over 160 kHz to 12 MHz with essentially constant amplitude.
Reprinted Url Of This Article:
http://www.seekic.com/circuit_diagram/Signal_Processing/Oscillator_Circuit/WIDE_RANGE_OSCILLATOR.html
Print this Page | Comments | Reading(3)
Code: