Published:2011/7/29 2:10:00 Author:Ecco | Keyword: Wideband , sine wave, VCO | From:SeekIC

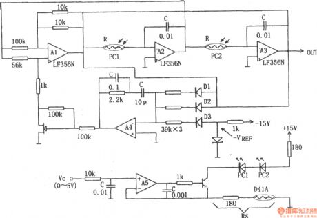
The chart shows the wideband sine wave VCO. Oscillation frequency of the circuit is decided by the resistor R and capacitor C , andthe applied voltage Vc and controlling resistor R constitute theVCO. Variable resistor in the circuit uses photo coupler PC1 and PC2, the rectifier circuit adopts average detection mode. The actual operating frequency of the circuit is tens of Hz or more. In addition, the characteristics of the control voltage Vc with respect to the oscillation frequency depends on the characteristics of optocouplers. The light source of optocoupler is LED and it needs current driving, so the circuit uses the constant current source circuit composed of 4559 operational amplifier. Voltage / current conversion uses Rs, Rs can choose the maximum control voltage Vc freely. In the circuit, IFmax = 30mA, Vcmax = 5V, resistor Rs = 180Ω.
Reprinted Url Of This Article:
http://www.seekic.com/circuit_diagram/Signal_Processing/Oscillator_Circuit/Wideband_sine_wave_VCO_composed_of_LF356N.html
Print this Page | Comments | Reading(3)
Code: