Published:2013/12/12 20:10:00 Author:lynne | Keyword: Wien bridge RC oscillator circuit, | From:SeekIC

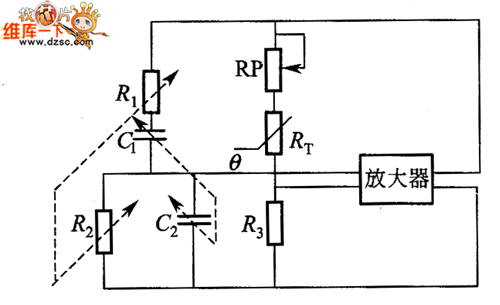
Wien bridge RC oscillator circuit shown in Figure:
Reprinted Url Of This Article:
http://www.seekic.com/circuit_diagram/Signal_Processing/Oscillator_Circuit/Wien_bridge_RC_oscillator_circuit.html
Print this Page | Comments | Reading(3)
Code: