Published:2009/7/11 3:57:00 Author:May | From:SeekIC


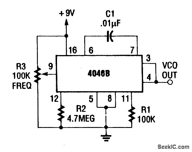
This VCO is adjustable from 60 Hz to 1.4 kHz. C1 can be changed for other ranges
Reprinted Url Of This Article:
http://www.seekic.com/circuit_diagram/Signal_Processing/Oscillator_Circuit/__RESTRICTED_RANGE_VCO.html
Print this Page | Comments | Reading(3)
Code: