Published:2011/5/19 8:14:00 Author:Felicity | Keyword: Ozone Sterilizer (the 2nd) | From:SeekIC

Work of the Ozone Sterilizer Circuit
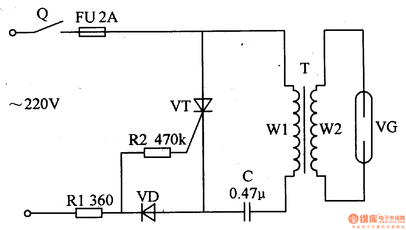
When we turn on the timer Q the 220V AC voltage is limited and bucked by R1 and separate into two parts. One is supplied to VT's gate through R2 while the other one is supplied between VT's anode and cathode and makes VT conducted in AC's positive half cycle and stopped in AC's negative half cycle. With the intermittent work of VT and C step-up transformer T's winding W2 will produce pulse high voltage. Put this voltage on VG to make it produce ozone.
Reprinted Url Of This Article:
http://www.seekic.com/circuit_diagram/Signal_Processing/Ozone_Sterilizer_the_2nd.html
Print this Page | Comments | Reading(3)
Code: