Published:2011/5/19 8:07:00 Author:Felicity | Keyword: Ozone sterilizer, | From:SeekIC


Work of the Ozone Sterilizer Circuit
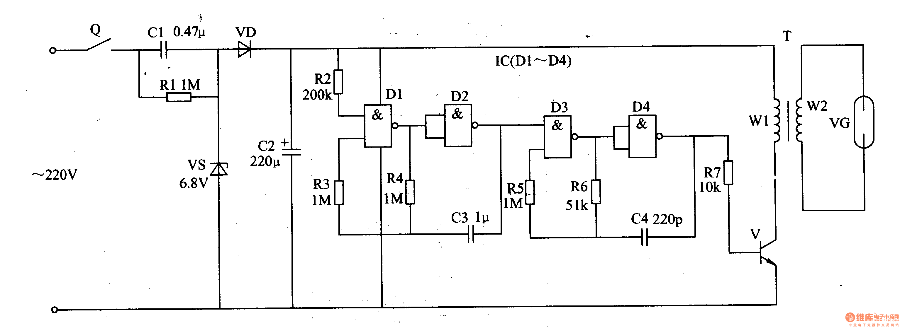
The ozone sterilizer circuit consists of Power circuit, oscillator circuit and ozone generator circuit (showed in picture 9-103).
Turn on the Timer Q and the +6V voltage will be produced after the 220V AC voltage is bucked, rectified, rectified and filtered by C1,VS,VD and C2. This voltage will supply IC and ozone generator circuit. When the low-frequency oscillator works the high-frequency oscillator is pulse modulated. Modulated pulse signal goes through R7 to the base added to V and makes V intermittently conducted. In the secondary winding to T generates pulsed high voltage and VG produces ozone in the role of high-frequency high-voltage.
Reprinted Url Of This Article:
http://www.seekic.com/circuit_diagram/Signal_Processing/Ozone_Sterilizerthe_6th.html
Print this Page | Comments | Reading(3)
Code: