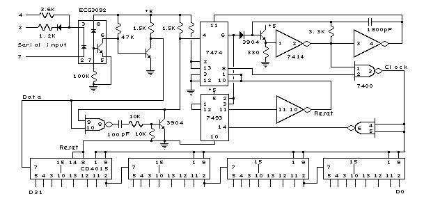
Published:2012/10/18 22:34:00 Author:muriel | Keyword: PC , Serial Receiver , 57.6K Baud , TTL & CMOS | From:SeekIC

Reprinted Url Of This Article:
http://www.seekic.com/circuit_diagram/Signal_Processing/PC_Serial_Receiver_576K_Baud___TTL__CMOS.html
Print this Page | Comments | Reading(3)
Code: