Published:2009/7/1 21:41:00 Author:May | From:SeekIC

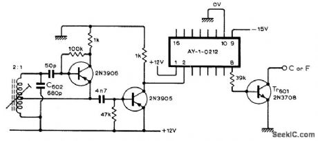
RF oscillator combined with General Instrument AY-1-0212 IC mastertonegenerator replaces 12 conventional RC oscillators otherwise required in electronic piano. Frequencies generated are within 0.1% of equal-temperament scale, so piano will work well without being tuned. Three-part article gives all circuits and construction details for simple portable touch-sensitive electronic piano.-G, Cowie, Electronic Piano Design, Wireless World, Part 3, May 1974, p 143-145.
Reprinted Url Of This Article:
http://www.seekic.com/circuit_diagram/Signal_Processing/PIANO_TONE_GENERATOR.html
Print this Page | Comments | Reading(3)
Code: