Published:2012/11/15 0:30:00 Author:muriel | Keyword: PLL Exciter | From:SeekIC

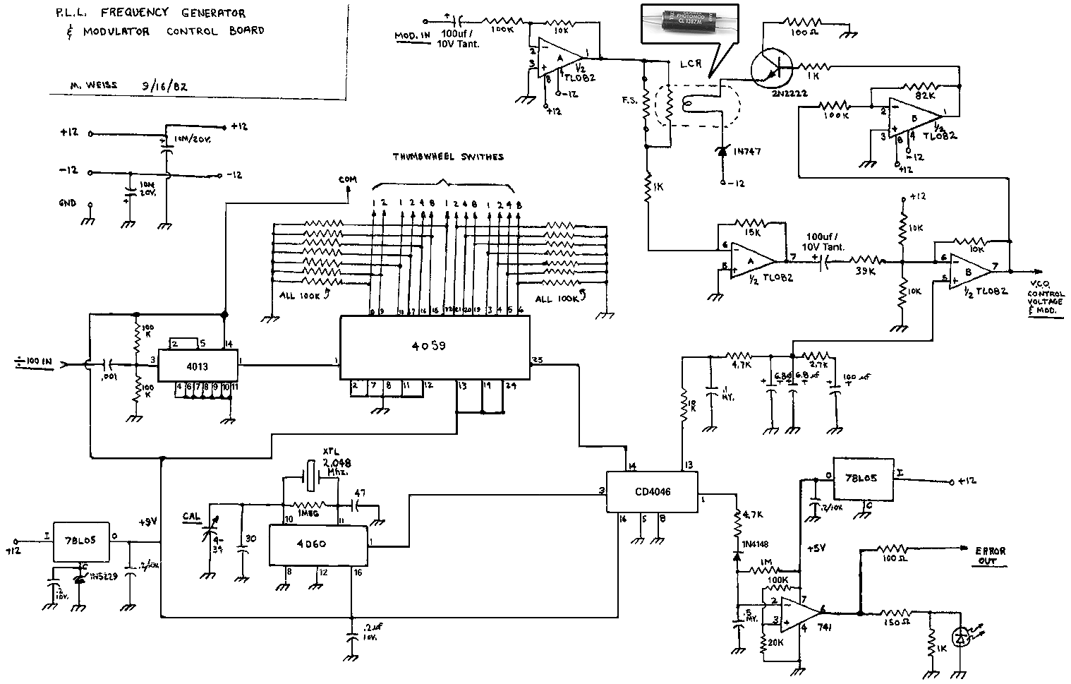
This is a PLL controller that works with the VCO/Modulator that I designed. Use these two modules together for a complete baseband-capable exciter unit. This PLL controller features a rock-stable crystal controlled reference, in conjunction with a programmable dividing network which allows the transmitter to be tuned in 100Khz steps from 79.9Mhz to 109.7Mhz by means of digital thumbwheel switches.
Reprinted Url Of This Article:
http://www.seekic.com/circuit_diagram/Signal_Processing/PLL_Exciter_2.html
Print this Page | Comments | Reading(3)
Code: