© 2008-2012 SeekIC.com Corp.All Rights Reserved.
Published:2012/11/15 0:37:00 Author:muriel | Keyword: PLL, FM Transmitter, LMX1601, ATtiny2313, AT90S2313 | From:SeekIC

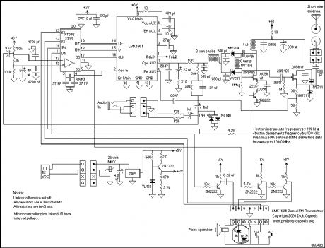
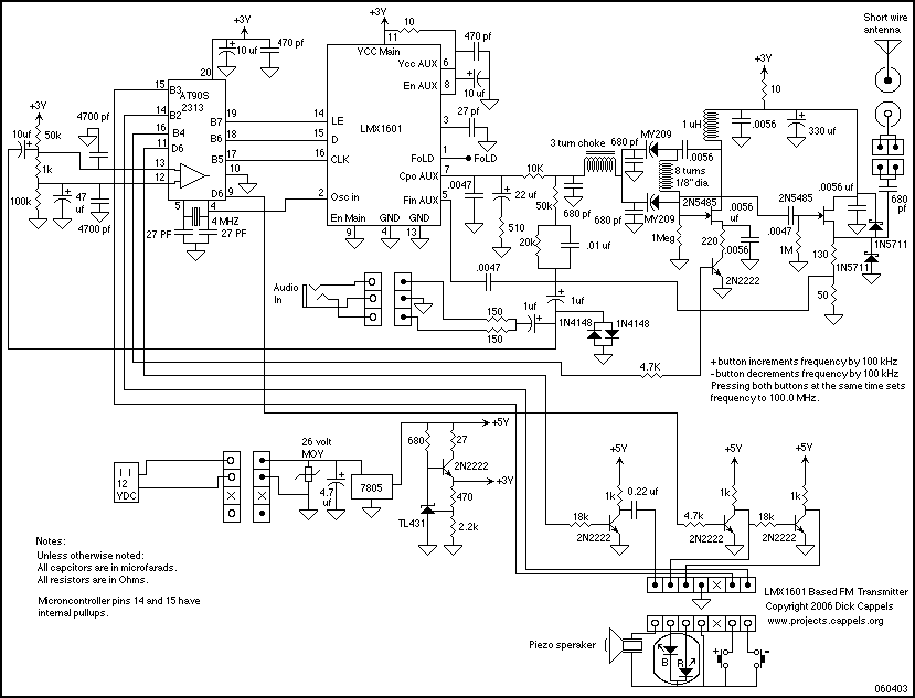
Here's a PLL FM Transmitter using LMX1601, ATtiny2313 or AT90S2313 microcontrollers. The common characteristic of all of the previous low power FM transmitters I've built over the decades, is that their operating frequency is determined by an LC resonant circuit. Some of them had excellent stability, some of them didn't, but I had always wanted to make one that is crystal controlled. Various schemes had been considered from time-to-time, including the direct approach of modulating the load capacitance of a a crystal oscillator, a whimsical phase modulation scheme involving a phase shifter, some balanced modulators, and limiting amplifiers, and at times, the down-to-earth and sober approach of modulating a VCO within a phase locked loop (PLL). While browsing Digikey's online catalog, I found the LMX1601 frequency synthesizer chip and thought: Just maybe, the PLL approach is finally within my grasp. The LMX1601, which apparently was designed for use in cell phones, includes everything need to make two phase locked loops except for the VCOs. More importantly, one of the PLLs, specifically the AUX PLL, is specified to work in the FM broadcast band. The LMX1600 and the LMX1602 were also considered, but the LMX1601 was selected because it has a 500 MHz option , meaning that it can work down to about 50 MHz.
An LMX1601 Phase locked loop, a discreet FET VCO, and an AVR micro controller combine to make a stable, easy to use monophonic FM transmitter that includes a an audio activated switch that turns the transmitter on only when its being used. With the LED lit blue to indicate the transmit mode, the transmitter's user interface is clean and simple. Two push buttons step the frequency up and down. The transmitter comes one when audio of sufficient amplitude is applied, and stays on for five minutes after the audio drops below the threshold. The LED flashes red briefly to show when audio is detected, so I know if the volume of the audio signal is high enough. A small hole under the LED is for the piezoelectric transducer, whose main job is to produce key clicks when the frequency increment and decrement buttons are pressed. The buttons do not provide tactile feedback. The painful part was dealing with the packaging of the chip. The lead centers of this 16 pin package are only 0.65 mm apart. Dealing with the fine printed circuit board features that would be needed to mount this chip was the most daunting aspect of using the chip. I had only experimented with the laser printer toner etch resist method of making PC boards a few months earlier, with some success. As it turned out, the laser printer toner etch resist method could be pushed to make a board that supports this chip. But just barely.
Reprinted Url Of This Article:
http://www.seekic.com/circuit_diagram/Signal_Processing/PLL_FM_Transmitter_using_LMX1601_ATtiny2313_AT90S2313.html
Print this Page | Comments | Reading(3)
Response in 12 hours
© 2008-2012 SeekIC.com Corp.All Rights Reserved.
Code: