Published:2009/7/16 5:58:00 Author:Jessie | From:SeekIC

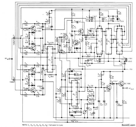
Phase-locked loops provide required stability for synchronous detection to improve reception quality of commercial double-sideband AM transmissions. Signal input and output of VCO are multiplied in phase-sensitive detector or multiplier that produces voltage proportional to phase difference between input and VCO signals. After filtering and amplifying, this voltage is used to control frequency of VCO to make it synchronize with incoming signal. Features include absence of image responses since IF is 0 Hz, almost complete immunity to selective fading, and conversion of RF to audio at very low signal levels so overall receiver gain is achieved mainly in audio amplifier. Article traces development and operation of receiver in detail.-T. Mollinga, Solve Phase Stability Problem in AM Receivers with PLL Techniques, EDN Magazine, Feb. 20, 1975, p51-56.
Reprinted Url Of This Article:
http://www.seekic.com/circuit_diagram/Signal_Processing/PLL_IN_AM_RECEIVER.html
Print this Page | Comments | Reading(3)
Code: