Published:2009/7/16 1:06:00 Author:Jessie | From:SeekIC

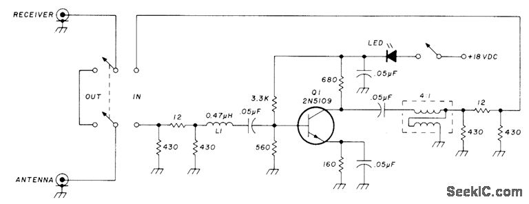
Can be used to improve performance of old communication receivers as well as modern equipment. L1 is several ferrite beads over short loop of about No.20 insulated wire. Transformer is made by winding about 10 bifilar turns of about No. 20 wire on 0.5-inch toroid core. - E. Pacyna, Wideband Preamp, Ham Radio, Oct. 1976, p 60-61.
Reprinted Url Of This Article:
http://www.seekic.com/circuit_diagram/Signal_Processing/PREAMP_COVERS_1_50_MHz.html
Print this Page | Comments | Reading(3)
Code: