Published:2009/7/7 1:02:00 Author:May | From:SeekIC


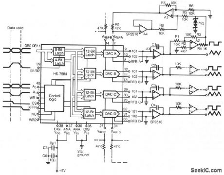
The programmable multiple output generator provides the control signals for data converter ATE. Major performance criteria are simple, interfaces to a number of microprocessor systems, low power con-sumption, stable output timing relationships combined with a minimum of board space. For schematic sim-plicity only, one output circuit is shown in full.The monolithic HS7584 provides four current output DAC's with four quadrant multiplication, individ-ual reference input and a feedback resistor. The digitally controlled integrator's frequency is determined by:C is the value of C1 to C4 andfi is the resistance of the DAC. With the four DACS on a single chip, the resistance matching is good, which results in stable timing relationships of the generator outputs. The out-put of the comparator A2 determines whether the constant current source provided by A3 and A4 is posi-tive or negative.
Reprinted Url Of This Article:
http://www.seekic.com/circuit_diagram/Signal_Processing/PROGRAMMABLE_TRIANGLE__SQUARE_WAVE_GENERATOR.html
Print this Page | Comments | Reading(3)
Code: