Published:2009/7/16 4:41:00 Author:Jessie | From:SeekIC

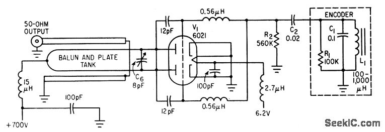
Push-pull power oscillator with transmission-line tank gives good frequency stability at 220 to 260 Mc. Encoder uses capacitor charge and discharge to cut off V1 at intervals giving pairs of 10-microsec pulses to aid in recovery of spacecraft.-J. G. Richter, Redesigning Project Mercury Beacons, Electronics, 35:3, p 50-52.
Reprinted Url Of This Article:
http://www.seekic.com/circuit_diagram/Signal_Processing/PULSE_CODED_100_WATT_BEACON.html
Print this Page | Comments | Reading(3)
Code: