Published:2009/7/24 2:26:00 Author:Jessie | From:SeekIC

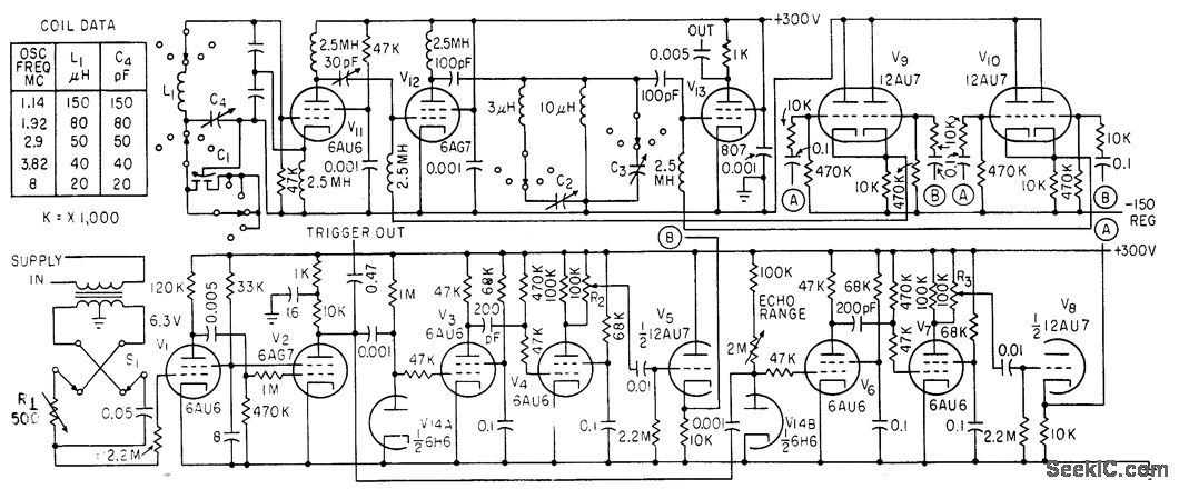
Simulates fold conditions encountered by pulse receivers use in ionospheric soundings, by supplying powerful pulse followed by weak pulse, with variable time separation. Weak pulse can be moved through fixed strong pulse without addition of pulse amplitudes. Uses cathode-follower mixer pulser and c-w oscillator pulsing a buffer.-K. Perry, Transmitter Simulator Tests Pulse and Phase-Palh Receivers, Electronics, 33:41, p 67.
Reprinted Url Of This Article:
http://www.seekic.com/circuit_diagram/Signal_Processing/PULSE_RECEIVER_TESTER.html
Print this Page | Comments | Reading(3)
Code: