Published:2009/7/23 22:29:00 Author:Jessie | From:SeekIC

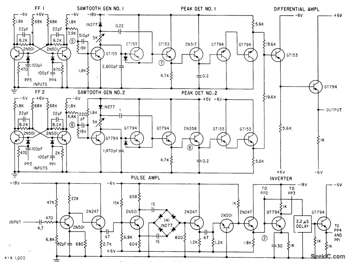
Develops two sawtooth waveforms of equal slope, one delayed relative to other by width of pulse to be measured. Control flip-flops turn both sawtooth generators off simultaneously, so difference in sawtooth peak amplitudes is proportional to pulse width being measured.-D. B. Dobson and L. L. Wolff, Automatic Test Equipment Checks Missile Systems, Electronics, 33:29, p 74-78.
Reprinted Url Of This Article:
http://www.seekic.com/circuit_diagram/Signal_Processing/PULSE_WIDTH_MEASUREMENT.html
Print this Page | Comments | Reading(3)
Code: