Published:2011/6/6 9:29:00 Author:Felicity | Keyword: Patient SOS Appliance, | From:SeekIC

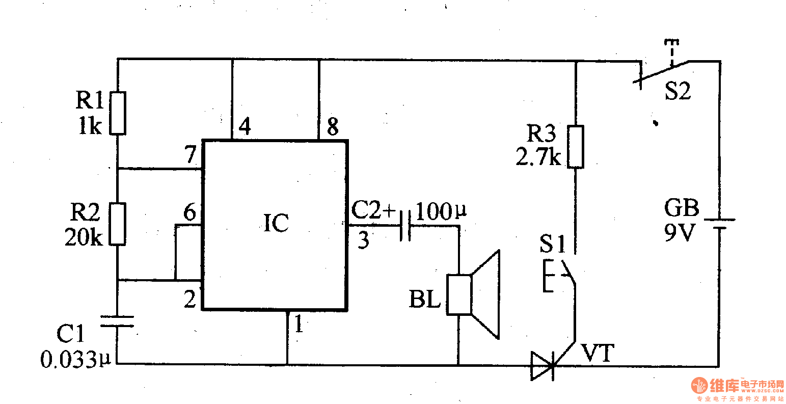
This patient SOS appliance consists of trigger circuit and oscillator. After the patient press S1, +9V voltage put on the gate pole of VT through S2, R3 and S1 to trigger VT on, and the oscillator is on and at work. The oscillator signal at the frequency about 1 KHz is output by pin 3 of IC to drive speaker BL send out a high frequency alarm sound. After the medicine box is open, S1 is off and VT cut off, then oscillator is power off and BL stops.
Reprinted Url Of This Article:
http://www.seekic.com/circuit_diagram/Signal_Processing/Patient_SOS_Appliance_Two.html
Print this Page | Comments | Reading(3)
Code: