Published:2013/3/19 2:26:00 Author:Ecco | Keyword: Penta-band , standard frequency , standard generator | From:SeekIC

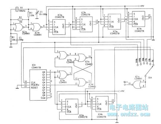
Penta-band standard frequency standard generator is shown as figure.
Reprinted Url Of This Article:
http://www.seekic.com/circuit_diagram/Signal_Processing/Penta_band_standard_frequency_standard_generator.html
Print this Page | Comments | Reading(3)
Code: