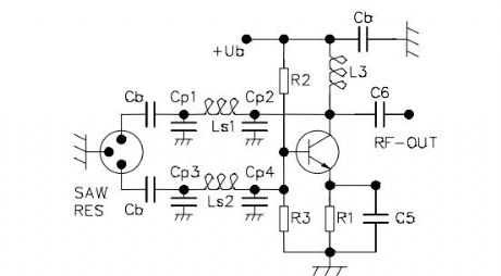
Published:2013/7/11 22:39:00 Author:muriel | Keyword: Pierce oscillator | From:SeekIC

Reprinted Url Of This Article:
http://www.seekic.com/circuit_diagram/Signal_Processing/Pierce_oscillator.html
Print this Page | Comments | Reading(3)
Code: