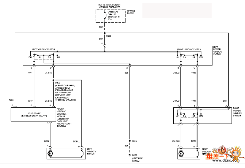
Published:2011/3/30 2:46:00 Author:Rebekka | Keyword: Pontiac motor window | From:SeekIC

Here is the schematic diagram of the Pontiac motor windowcircuit:
Reprinted Url Of This Article:
http://www.seekic.com/circuit_diagram/Signal_Processing/Pontiac_motor_window_circuit_diagram.html
Print this Page | Comments | Reading(3)
Code: