Published:2011/3/30 2:40:00 Author:Rebekka | Keyword: Pontiac speaker | From:SeekIC

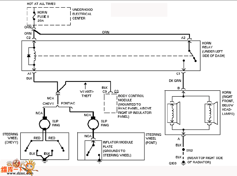
Here is the schematic diagram of the Pontiac speaker circuit:
Reprinted Url Of This Article:
http://www.seekic.com/circuit_diagram/Signal_Processing/Pontiac_speaker_circuit_diagram.html
Print this Page | Comments | Reading(3)
Code: